Καπνοδόχοι
Kratki Kp100/150/bi-gas Ομοαξονικο Κατακορυφο Καπελο Για Φυσικο Αεριο - Γκαζι Φ100/150
ΚΩΔΙΚΟΣ ΠΡΟΪΟΝΤΟΣ
0823-KRATKIKP100150
ΤΙΜΗ
281,48 €ΑΡΧΙΚΗ ΤΙΜΗ
Κερδίζετε: 281 πόντους
Διαθέσιμο
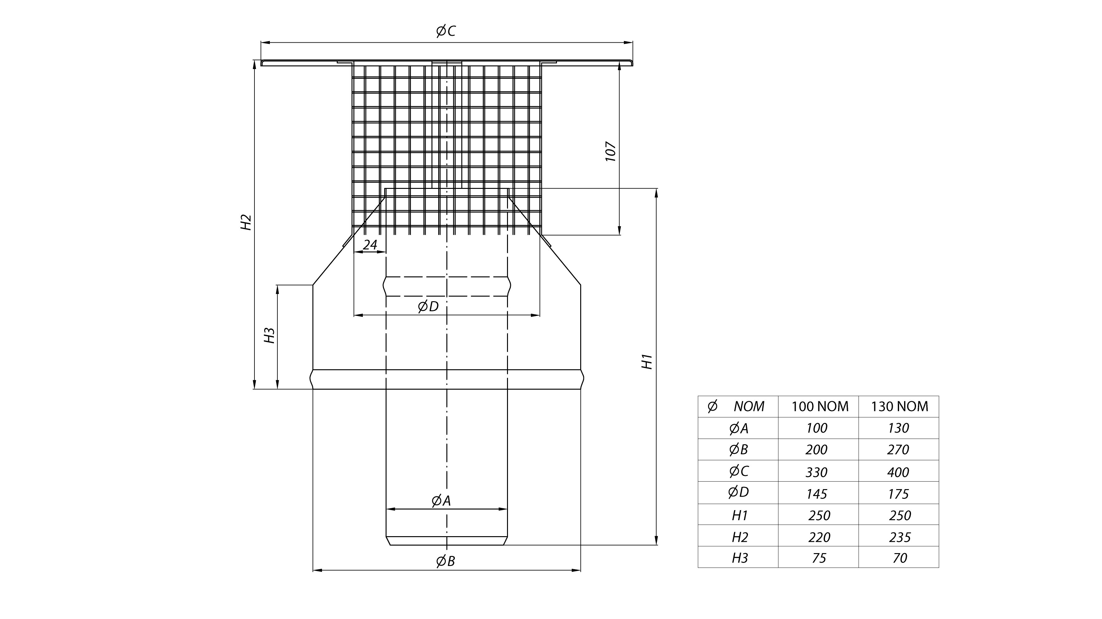
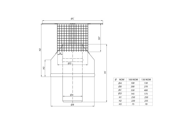
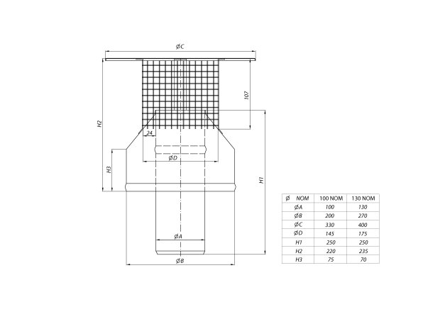
- Χαρακτηριστικά Το επάνω άκρο της καμινάδας (τερματικό καύσης-αέρα με διέλευση από την οροφή) - η εισαγωγή αέρα ασφαλίζεται με ένα δίχτυ. Το BI-GAS είναι μια επιλεγμένη και υδραυλικά βελτιστοποιημένη λύση που έχει επίσης ιδιότητες αυτοκαθαρισμού. Το σύστημα λειτουργεί υπό κενό (δεν είναι εξοπλισμένο με παρεμβύσματα). ΧΑΡΑΚΤΗΡΙΣΤΙΚΟ ΓΝΩΡΙΣΜΑ: - διάμετρος: 100/150 mm - αντοχή στη θερμοκρασία: 600°C - δοκιμαστεί στο CERIC - υλικό: ανοξείδωτο ατσάλι (ωστενιτικό) 1.4404 εσωτερικά, (316L, L50), 1.4301 εξωτερικό L20. Το πλήρες σύστημα καλύπτεται από 5ετή εγγύηση κατασκευαστή.






